

The advanced 2 hour accessibility training module will address the following:
Accessible Route Parking Vertical accessibility Toilet Rooms and Toilet Stalls

Building Volume, Editorial Changes Plumbing Volume, No Changes Residential Volume Accessibility Incorporated Base Document (1997 Accessibility Edition) No Changes 2004 Access Board Guidelines Not Implemented, Not Law Florida Law 553.501-553.513 No Changes

Accessibility Guidelines FDOT Guidelines/Standards for Public Spaces UFAS -Uniform Federal Accessibility Standards 2004 Access Boards Guidelines, not law

Departure from the explicit technical and scoping requirements of this code for any element voids any otherwise applicable presumption of rebuttable evidence that the element has been constructed or altered in accordance with the minimum accessibility requirements of the ADA
Departures from particular technical and scoping requirements of the Code that will provide substantially equivalent or greater access to and usability of the facility shall be provided from public transportation stops, accessible parking, and accessible passenger loading zones, public streets or sidewalks.

Width
Passing Space
Headroom
Surface Textures
Slope
Changes in Level
Doors
Areas of Rescue Assistance
3/9/2005


Entrances/Accessible Route: These elements shall be connected to public transportation stops, accessible parking, passenger loading zones, public streets or sidewalks.
Minimum number: At Least 50% of all public entrances must be accessible. At least one must be a ground floor entrance.
Signage: Entrances which are not accessible shall have directional signage to the location of the nearest accessible entrance

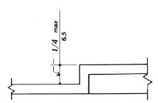
Changes in Level
Changes up to ¼ inches may be vertical and without edge treatment
Figure 7c


Required Parking Spaces Access Aisle Curb Ramps Accessible Route Passenger Loading Zones Signage

1 to 25 = 1
26 to 50 = 2
51 to 75 = 3
76 to 100 = 4
501 to 1000 –2% of total
1001 and over, 20 plus 1 for each 100 over 1000

Exterior accessible routes include parking access aisles, curb ramps.
Location: Accessible parking spaces serving a particular building shall be located on the shortest safely accessible route
All spaces must be located on an accessible route no less than 44 inches wide.






Curb ramps shall be provided wherever an accessible route crosses a curb.
Curb ramps must be located outside of disabled parking spaces and access aisles
Handrails are not required
EXCEPTION: Curb ramps that are a part of a required means of egress shall be not less than 44 inches wide
Maximum slope of flared sides shall be 1:12

All Levels Above and Below Occupiable Grade, Fl.Law Elevators (includes “LULAS”) Platform Lifts Code compliance or apply for waiver to Fl. Specific issues. Exceptions to compliance
Lube Pits Mechanical Rooms Projection Booths Certain Storage Unoccupiable Spaces Non-Public & Occupiable with 5 persons or less

If platform lifts are used, they shall comply with the following: controls and operating mechanisms shall be operable with one hand and shall not require tight grasping, pinching, or twisting of the wrist
If platform lifts are used then they shall facilitate unassisted entry, operation, and exit from the lift
Non conforming equipment

Accessible Entrance Accessible Path of Travel Minimum of One Accessible Toilet Room for Each Sex Accessible Unisex Toilet Room shall be provided in
accordance with the Plumbing Code, see Chapter 4 Accessible Public Telephones Accessible Public Drinking Fountains

Figure 17
Handrails – 34” to 38” shall extend 18 inches at top and bottom.
Any part of an accessible route with a slope greater than 1:20 shall be considered a ramp
Landings: Not less than 60” clear







The maximum slope of a ramp in new construction shall be 1:12
Figure 16


| | The 2004 FBC Building Code | |
|---|---|---|
| | Toilet Stalls | |
| | Specific Criteria | |
| | Toilet Rooms | |
| | Specific Criteria | |
| | Protruding Objects | |
| | Reach range | |
| | Additional related technical requirements for these Sections | |
| | The 2004 FBC Plumbing Code | |
| | The 2004 FBC Residential Code | |

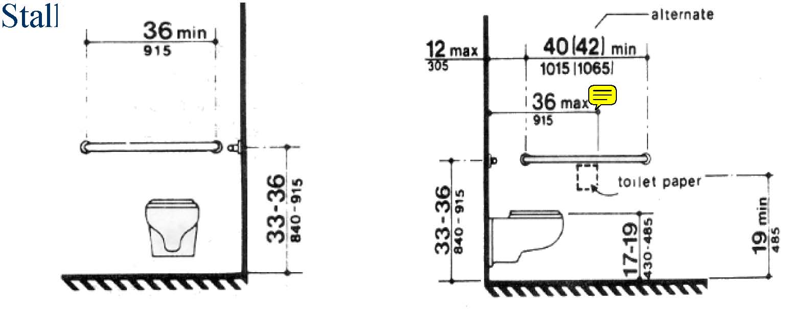
The “Florida accessible stall”: New construction shall contain a lavatory that complies with the Code. The lavatory shall be mounted so as not to overlap the clear floor space areas required.
Doors: Shall not swing into the clear floor space of any fixture.


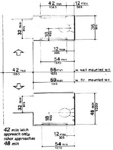
Figure 30c Figure 30d Rear wall of Standard Side Walls


Figure 30b Alternate Stall


Water closet design, not in stalls. See Section on Toilet Rooms
Figure 28


Flush valve is on wide side of the accessible water closet Grab bars are required
Figure 29a


Height of accessible water closets shall be 17 inches to 19 inches measured to the top of the toilet seat.
Figure 29b






Minimum clear width for wheelchair passage (32/36inches)
Forward reach maximums (48 inches high, 15 incheslow) – changes when obstacles in way

Side Reach maximums
Figure 6b


Figure 5a


Figure 39a Figure 39b Figure 39c


Lavatories shall be mounted with the rim or counter surface no higher than 34 inches above the finished floor Provide a clearance of at least 29 inches above the finished floor to the bottom of the apron. Figure 31)
Clear floor space 30 inches by 48 inches shall be provided in front of lavatory



Hot water and drain pipes under lavatories shall be insulated or otherwise configured to protect against contact


Mirrors – bottom edge of reflective surface no higher than 40 inches
Faucets shall comply with the Code and shall require no more than 5 lbf. to operate


Vanity

